logo

Kırmızı Mekanik Kontrol Kablosu Çatal Kablo Bağlantısı ve sıcaklık aralığı eksi 40 °C'den 80 °C'ye kadar Ağır Görev için Uygun

Kırmızı Mekanik Kontrol Kablosu Çatal Kablo Bağlantısı ve sıcaklık aralığı eksi 40 °C'den 80 °C'ye kadar Ağır Görev için Uygun
Özellikleri Fotoğraf Galerisi Ürün Açıklaması Fiyat talebi
Özellikleri
Teknik Özellikler
Features: Custom Engineered Assembly
Color: Green,Black,Red
Port: Shanghai
Inner Cable: Multi-strand High-tensile Steel
Package: Wood Case / Carton / Bubble Film
Bus Model: China
Materia: As Per Requirements
Innermember: Nylon-covered Stainless Steel
Vurgulamak:

Çatal bağlantısı olan kırmızı mekanik kontrol kablosu

,

Ağır görevli mekanik kontrol kablosu

,

Sıcaklığa dayanıklı mekanik kontrol kablosu

Temel bilgiler
Marka adı: PHIDIX
Model Number: Mechanical Control Cable
Ödeme & teslimat koşulları
Ürün Açıklaması

Ürün Tanımı:

Mekanik Kontrol Kablosu, endüstriyel ve ticari uygulamaların geniş bir yelpazesini karşılamak için tasarlanmış son derece güvenilir ve çok yönlü bir çözümdür.Bu kablo zorlu ortamlarda bile olağanüstü performans sunuyor.-65°F'den 230°F'ye kadar tipik bir sıcaklık aralığına sahip, hem aşırı soğuk hem de yüksek sıcaklık koşullarında tutarlı çalışmayı sağlar.Çeşitli iklimlerde ve zorlu ortamlarda kullanılmak için idealdir..

Bu Mekanik Kontrol Kablosunun öne çıkan özelliklerinden biri özel tasarlanmış montajıdır.Bireysel operasyonel ihtiyaçları karşılayan özel çözümlere izin vermekBelirli bir uzunluk, güç veya konfigürasyon ister, bu kablo en iyi işlevselliği ve verimliliği sağlamak için özel olarak tasarlanabilir.Bu özel mühendislik yaklaşımı, kablonun amaçlanan uygulamada kusursuz çalışmasını sağlar, duraklama süresini en aza indirir ve genel sistem güvenilirliğini artırır.

Kabloun iç kısmı, paslanmaz çeliklerin dayanıklılığını ve korozyon direncini naylonun koruyucu özellikleriyle birleştiren naylon kaplı paslanmaz çelikten yapılmıştır.Bu tasarım üstün dayanıklılık sağlar, esneklik ve aşınmaya ve aşınmaya karşı dayanıklılık. Nylon kaplama, paslanmaz çelik çekirdeğini çevresel hasarlardan korumakla kalmaz aynı zamanda sürtünmeyi de azaltır.Düzgün ve verimli mekanik hareketin sağlanmasıBu, kabloyu mekanik çekme kablo sistemleri gibi sık veya sürekli hareket gerektiren uygulamalar için özellikle uygundur.

Yeşil, siyah ve kırmızı renklerde bulunan bu Mekanik Kontrol Kablosunun bir diğer önemli özelliği de renk kodlamasıdır.Bu renk seçenekleri karmaşık mekanik sistemlerde kolay tanımlanmasına ve düzenlenmesine yardımcı olur, kurulum hatalarını azaltır ve bakım süreçlerini basitleştirir. Canlı ve dayanıklı renkler, zorlu çevresel faktörlere maruz kaldıklarında bile zamanla görünümlerini korur.Uzun süreli görsel açıklığı sağlamak.

Çin'de otobüs modeli standartlarına göre üretilen bu Mekanik Kontrol Kablosu, sıkı kalite kontrol önlemlerine ve endüstri referanslarına uymaktadır.Kalite bağlılığı, her kablonun tutarlı bir performans sağladığını sağlarMüşteriler, bu ürüne yaptıkları yatırımın kalıcı bir değer sağlayacağına ve operasyonel beklentileri karşılayacağına veya aşacaklarına güvenebilirler.

Mekanik bir çekim kablosu olarak tasarlanan bu ürün, mekanik kuvvetin uzaktan aktarılmasında öne çıkar ve çeşitli kontrol mekanizmalarında önemli bir bileşen haline gelir.endüstriyel makineler, deniz ekipmanları veya diğer mekanik sistemler, Mekanik Kontrol Kablosu hassas kontrol ve tepki sağlar.Güçlü yapısı ve özel mühendisliği, geniş bir uygulama yelpazesine uyarlanabilir hale getiriyor, mekanik işlemlerin genel verimliliğini ve etkinliğini artırır.

Özetle, Mekanik Kontrol Kablosu, dayanıklı, güvenilir ve özelleştirilebilir bir kontrol kablosu gerektiren herkes için bir seçenektir.Özel mühendislik montajı., nilon kaplı paslanmaz çelik iç kısım ve canlı renk seçenekleri çok yönlü ve güvenilir bir çözüm haline getirir.Bu kablo çeşitli zorlu ortamlarda mükemmel performans sağlamak için tasarlanmıştır.Mekanik çekme kablosu olarak veya diğer kontrol uygulamalarında kullanılırsa da, mekanik kontrol sistemlerini etkili bir şekilde optimize etmek için gereken gücü, esnekliği ve hassasiyeti sağlar.


Özellikleri:

  • Ürün Adı: Mechanical Control Cable
  • Mekanik Çekim Kontrol uygulamaları için uygundur
  • Paket seçenekleri: Ahşap Kasa, Karton, Balon Film
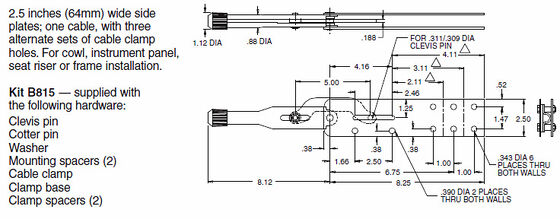
  • Kablo bağlantı türleri mevcut: Top eklem, çatal, çubuk ucu vb.
  • Dayanıklılık için nilon kaplı paslanmaz çelikten yapılmış iç üye
  • Renkler: Yeşil, Siyah, Kırmızı
  • Taşıma limanı: Şangay
  • Güvenilir performans için tasarlanmış yüksek kaliteli mekanik kontrol kablosu

Teknik parametreler:

Liman Şangay
OEM - Evet.
İç kablo. Çoklu iplik yüksek gerginlik çelik.
Özellikleri Özel Mühendislik Montajı
Sıcaklık aralığı -40°C -80°C
Tipik sıcaklık aralığı -65°F. 230°F.
Kablo Bağlantısı Top eklemi, çatal, çubuk ucu vb.
Paket Wood Case / Carton / Bubble Film
Boyut OEM Standard Size Or Customized
Kurulu Bend Yarıçapı 5'e düştü.

Uygulamalar:

PHIDIX Mekanik Kontrol Kablosu, çeşitli mekanik kontrol uygulamalarının taleplerini karşılamak için tasarlanmış çok yönlü ve güvenilir bir çözümdür.Çelik iç kablo ile tasarlanmıştır, Bu kablo olağanüstü dayanıklılık ve dayanıklılık sağlar, bu da onu hassas ve tutarlı Mekanik Kontrol Çekim operasyonları için ideal hale getirir.PHIDIX Mekanik Kontrol Kablosu özel gereksinimlere göre uyarlanabilir, geniş bir kullanım yelpazesi için esneklik sağlar.

PHIDIX Mekanik Kontrol Kablosunun öne çıkan özelliklerinden biri, tipik bir sıcaklık aralığında -65 ° F ila 230 ° F arasında verimli çalışabilmesidir.Bu etkileyici ısı dayanıklılığı, aşırı ortamlarda güvenilir bir şekilde çalışmasını sağlarKablonun dayanıklı yapısı, toplu eklem, çatal ve çubuk ucu seçenekleri de dahil olmak üzere bir dizi kablo bağlantısı ile tamamlanır.Çeşitli mekanik sistemler için uygun güvenli ve uyarlanabilir bağlama yöntemleri.

Yeşil, siyah ve kırmızı gibi canlı renklerde mevcuttur.PHIDIX Mekanik Kontrol Kablosu sadece işlevsel avantajlar sunmakla kalmaz, aynı zamanda kurulum ve bakım sırasında görsel tanımlama ve güvenliği artırırUygulama durumları, otomotiv, havacılık, denizcilik ve endüstriyel makineler de dahil olmak üzere çok sayıda endüstride geçer.,Bu kablo düzgün ve hızlı bir performans sağlar.

PHIDIX Mekanik İp Kontrol Kablosu, güvenilir ve doğru mekanik çalıştırma gerektiren senaryolarda öne çıkar.ve özel araç yapıları, güçlü Mekanik İp Kontrolü çözümleri operasyonel verimlilik ve güvenlik için gereklidir.özelleştirilebilir boyutu ve bağlantı seçenekleri onu yenilikçi mühendislik projeleri ve artan uygulamaları için uygun hale getirir.

Özetle, PHIDIX Mekanik Kontrol Kablosu, Mekanik Kontrol Çekim ve Mekanik İp Kontrolü ihtiyaçları için yüksek performanslı bir seçim olarak öne çıkıyor.geniş sıcaklık toleransı, özelleştirilebilir armatürler ve renk seçenekleri, çeşitli zorlu senaryolarda vazgeçilmez bir bileşen haline getirir ve çeşitli çalışma koşullarında güvenilir mekanik kontrol sağlar.


Özellik:

PHIDIX'de, özel ihtiyaçlarınızı karşılamak için tasarlanmış Mekanik Kontrol Kablımız için kapsamlı ürün özelleştirme hizmetleri sunuyoruz.Bizim Mekanik Çek Kablo çözümleri gibi çeşitli kablo bağlantı seçenekleri içerir Top Ortak, çatal, çubuk sonu ve daha fazlası, uyumluluğu ve kurulum kolaylığını sağlar.

OEM standart boyutlarında veya özel boyutlarda, uygulamanıza mükemmel bir şekilde uymak için mekanik çekme kontrol kablolarını sağlıyoruz.Dayanıklılığı ve performansı garanti etmek için gereksinimlerinize göre seçilen malzemeler kullanılarak üretilmiştir..

Mekanik Kontrol Kablımız, -65°F'den 230°F'ye kadar tipik bir sıcaklık aralığına dayanacak şekilde tasarlanmıştır, bu da onu çeşitli çalışma ortamlarına uygun kılar.yüksek kaliteli Mekanik Çek Kablo özelleştirme tam özelliklerinize göre uyarlanmış.


Destek ve Hizmetler:

Mekanik Kontrol Kablolarımız çok çeşitli mekanik sistemler için hassas ve güvenilir bir kontrol sağlamak için tasarlanmıştır.Lütfen ürün kılavuzunda yerleştirme ve bakım talimatlarını takip edin..

Montaj için, kablo yönlendirmesinin keskin bükülmelerden ve bükülmelerden arınmış olduğundan ve gerekirse kablonun uygun şekilde yağlandığından emin olun.Kablo bu koşullar için belirtilmediği sürece aşındırıcı ortamlara maruz kalmaktan kaçının.

Kabloyu aşınma, korozyon veya hasar belirtileri için düzenli olarak incelemek önerilir.

Teknik destek ekibimiz, sorun giderme, kurulum tavsiyesi ve ürün özellikleri konusunda size yardımcı olmak için uygun kabloyu seçmenize yardımcı olmak için mevcuttur.

Ayrıca özel mekanik kontrol gereksinimlerinizi karşılamak için özel kablo çözümleri ve onarım hizmetleri de sunuyoruz.

Lütfen mekanik kontrol kablolarının güvenli ve etkili çalışmasını sağlamak için kullanım öncesi detaylı ürün belgelerine ve güvenlik talimatlarına başvurun.


Sıkça sorulan sorular:

PHIDIX Mekanik Kontrol Kablosu için hangi uygulamalar uygundur?

A1: PHIDIX Mekanik Kontrol Kablosu, kesin mekanik kontrolün gerekli olduğu otomotiv, deniz, endüstriyel makineler ve tarım ekipmanları da dahil olmak üzere çeşitli uygulamalar için idealdir.

Q2: PHIDIX Mekanik Kontrol Kablosunun yapımında hangi malzemeler kullanılıyor?

A2: PHIDIX Mekanik Kontrol Kablosu, uzun ömürlü ve güvenilir performans sağlamak için korozyona dayanıklı malzemelerden yapılmış dayanıklı dış kapaklarla yüksek kaliteli çelik tel çekirdeklerine sahiptir.

Q3: How do I determine the correct length of the PHIDIX Mechanical Control Cable for my application? İletişim için PHIDIX Mekanik Kontrol Kablosunun doğru uzunluğunu nasıl belirlerim?

A3: Doğru kablo uzunluğunu belirlemek için, tüm virajlar veya yönlendirme yolları dahil olmak üzere, kontrol kolu ve hareketli bileşen arasındaki toplam mesafeyi ölçün.PHIDIX ayrıca özel gereksinimler için özel uzunluk seçenekleri sunar.

S4: PHIDIX Mekanik Kontrol Kablosunun kurulumu kolay mı?

A4: Evet, PHIDIX Mekanik Kontrol Kablosu, çoğu kontrol sistemiyle uyumlu standart armatürlerle basit bir montaj için tasarlanmıştır.Düzgün kurulumda yardımcı olmak için kurulum talimatları sağlanmıştır.

S5: PHIDIX Mekanik Kontrol Kablosu sert ortamlarda verimli bir şekilde çalışabilir mi?

A5: Kesinlikle. PHIDIX Mekanik Kontrol Kablosu, nem, toz ve sıcaklık dalgalanmaları gibi zorlu çevresel koşullara dayanacak şekilde tasarlanmıştır.zorlu endüstriyel ve dış mekan uygulamaları için uygun hale getirir.


Önerilen Ürünler
Bizimle temasa geçin
İlgili kişi : Ms. lisa
Tel : 13816744282
Faks : 86-021-37214610
Kalan karakter(20/3000)